产品中心product
  • 通用电路
  • 交通工具电路
  • 电源管理电路
  • 电机驱动电路
  • 音箱类电路
  • 工业控制电路
  • 其他专用电路
  • 分立/功率器件
ICF LM358杭州百隆电子有限公司 发布时间:2018-12-27   点击浏览:9813次

名称

ICF LM358

功能

双运算放大器

应用

运算放大器

描述

ICF LM358内部包括有两个独立的、高增益、内部频率补偿的运算放大器,适合于电源电压范围很宽的单电源使用,也适用于双电源工作模式,在推荐的工作条件下,电源电流与电源电压无关。它的使用范围包括传感放大器、直流增益模块和其他所有可用单电源供电的使用运算放大器的场合。

特点

单电源(3~32V),双电源(±1.5~±16V

低输入偏置电流

共模输入范围扩展到负电位

内部频率补偿

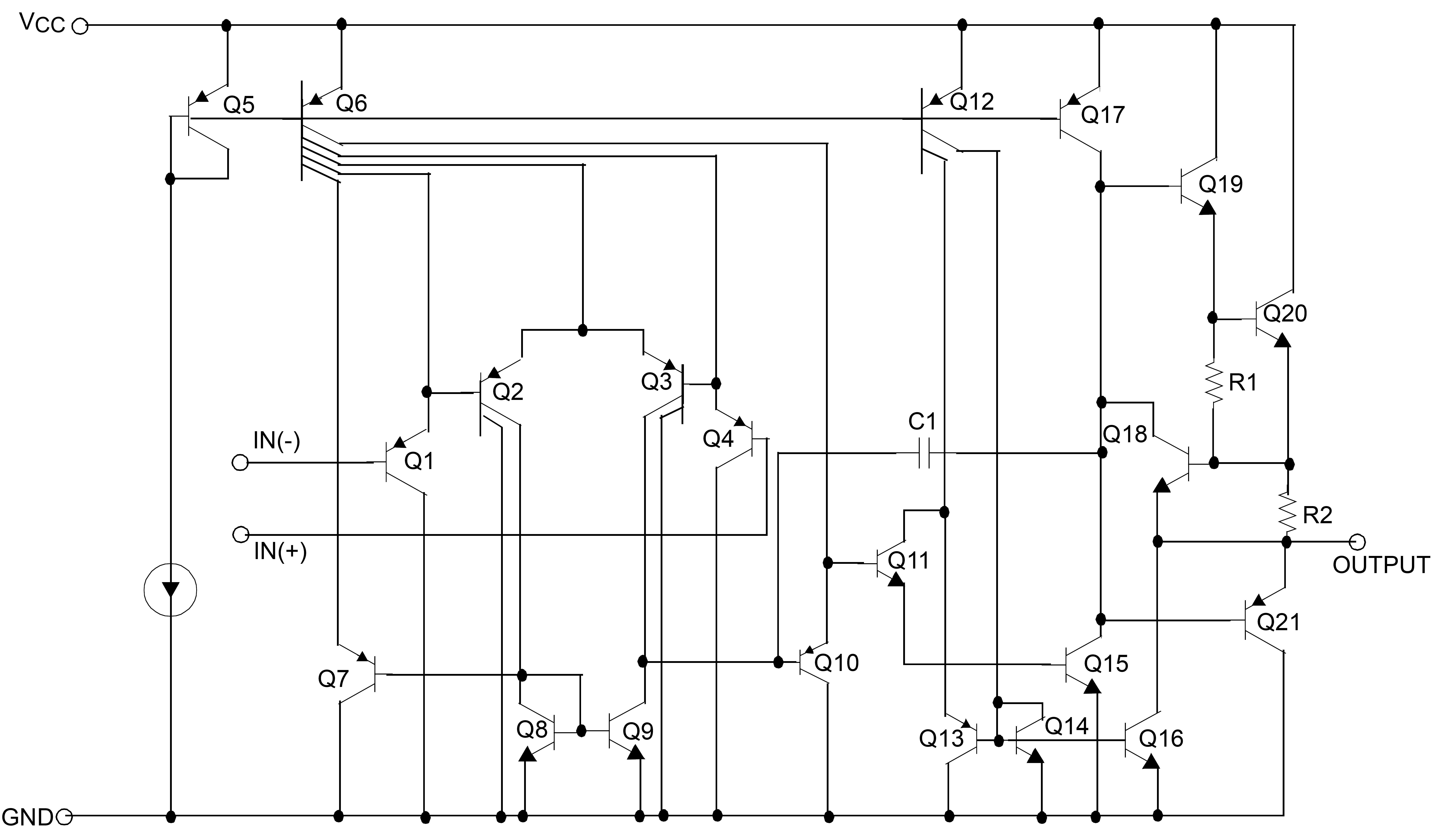
框图

规格

电路型号

封装形式

ICF LM358

DIP-8

料管装

SOP-8

料管装

SOP-8

编带盘装


Copyright © 2001-2019 杭州百隆电子有限公司 All Right Reserved
地址:杭州未来科技城文一西路1217号IT公园7号楼 电话:0571-85390556 邮箱:boon@boon.com.cn 浙ICP备05023951号